
40% Material Waste Reduction.
Previously, the sealing in a Grundfos SQ pump was achieved through a welding between the external casing and a stainless steel base with glass-sealed penetrations for the power supply.
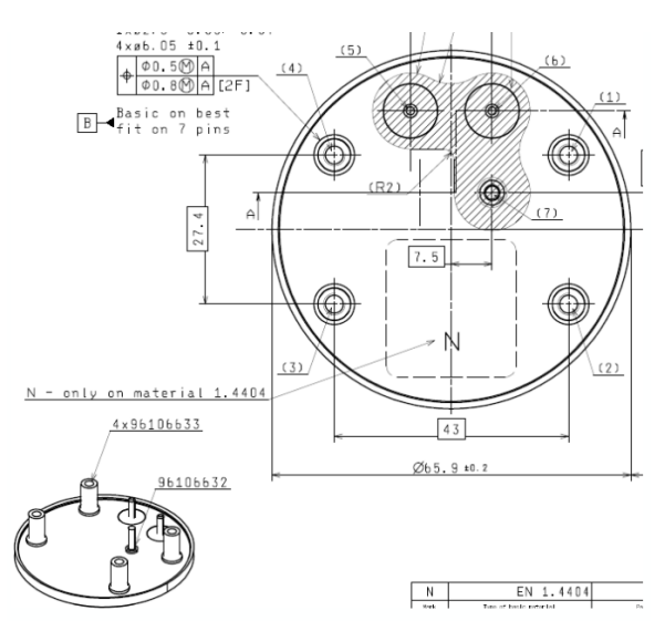
The stainless-steel base was manufactured as a finestamped part with an embossed guide recess for welding to the casing. Furthermore, 2 holes were stamped out of the plate.
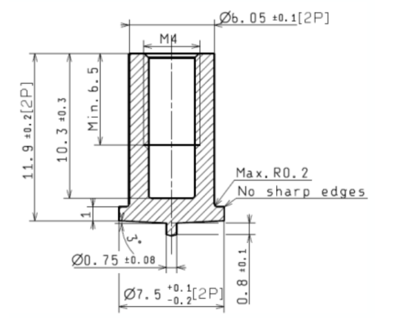
Subsequently, the four towers were machined from solid rod as shown in the figure below, including processing of internal threads. The four towers were mounted on the plate and then attached with a resistance welding.
During this process, the components have been oiled, so they had to be washed along the way, as there was also transportation involved since the plate was fine-stamped by a subcontractor.
Additionally, there was a relatively significant loss of materials due to stamping or machining, resulting in material waste of almost 40%.
Due to the complex manufacturing process with so many steps, material loss, and logistical challenges, it was decided to investigate whether this component could be produced with MIM in a single shot.
This turned out to be feasible, but since we were already optimizing, we also wanted to explore whether there were more possibilities to work with.
The first smart solution was to reduce the general thickness of the plate where less material was necessary. This is clearly visible in the picture of the new components, where material usage has been further reduced by 20% simply by removing material from the surfaces. Furthermore, it is shown here that MIM allows for ensuring rigidity with ribs
instead of solid material, which provides material savings without compromising stiffness.
The second smart solution was to introduce a Poke-Yoke solution that ensured it was no longer possible to incorrectly mount the component in the pump. This was done by introducing a hole on one side and a pin on the other, which can only be inserted in one way in the assembly.
The third smart solution was to polish the tool to a high gloss on the zones acting as seals, thus locally reducing the roughness of the MIM surface.
The final smart solution introduced was stamping the production date to ensure material and component traceability. All extra features were incorporated without additional costs for the customer on the final component.
This component is therefore now manufactured with a significant reduction in material consumption, far simpler logistics with far fewer process steps, less water usage, as there is no longer a need to wash subcomponents, as well as a price optimization for the customer. All combined results in significant CO2 reductions.
Finally, it should be mentioned that the previous component faced corrosion challenges in the weld zones around the towers, which is no longer the case, as the component is no longer resistance welded but manufactured in Sintex high corrosion resistance process.
This site is protected by reCAPTCHA and the Google Privacy Policy and Terms of Service apply.
This site is protected by reCAPTCHA and the Google Privacy Policy and Terms of Service apply.
This site is protected by reCAPTCHA and the Google Privacy Policy and Terms of Service apply.